![]() |
BSA系列点击次数:5697
发布时间:2018-08-30 17:42:10 |
|---|

| BSA272SDF |


| BSA357SD | BSA272SDN |


| BSA586SD |
| BSA804SD |

| 机型 | BSA272SDFY1DN | BSA357SDFY3AN | BSA272SDNY3FN | BSA357SDNY3FN | BSA586SDMY3FJ | BSA804SD-A3BUA |
| 电源 | 变频器输入48VDC | 变频器输入48VDC | 变频器输入 220V/1φ/50Hz |
变频器输入 220V/1φ/50Hz |
变频器输入 220V/1φ/50Hz |
变频器输入 220V/1φ/50Hz |
| 使用冷媒 | R134a | R134a | R134a | R134a | R134a | R134a |
| 转速范围(rpm) | 1800~4500 | 1800~4500 | 1250~5500 | 1250~5500 | 2000~6000 | 1000~7200 |
| 额定转速(rpm) | 3000 | 4080 | 3600 | 3600 | 3180 | 3000 |
| 额定电流(A) | 2.4 | 5 | 0.84 | 0.84 | 1.43 | 2.19 |
| 额定功率(W) | 105 | 185 | 138 | 155 | 225 | 275 |
| 额定制冷量(W) | 310 | 565 | 375 | 500 | 745 | 960 |
| 额定工况测试条件 | 蒸发温度=7.2℃ 冷凝温度=54.4℃ 过冷度=8.3K 吸气温度=35℃ 环境温度=35℃ |
蒸发温度=7.2℃ 冷凝温度=54.4℃ 过冷度=8.3K 吸气温度=35℃ 环境温度=35℃ |
蒸发温度=7.2℃ 冷凝温度=54.4℃ 过冷度=8.3K 吸气温度=35℃ 环境温度=35℃ |
蒸发温度=7.2℃ 冷凝温度=54.4℃ 过冷度=8.3K 吸气温度=35℃ 环境温度=35℃ |
蒸发温度=7.2℃ 冷凝温度=54.4℃ 过冷度=8.3K 吸气温度=35℃ 环境温度=35℃ |
蒸发温度=7.2℃ 冷凝温度=54.4℃ 过冷度=8.3K 吸气温度=35℃ 环境温度=35℃ |
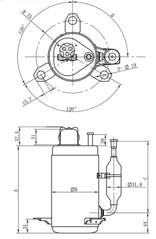
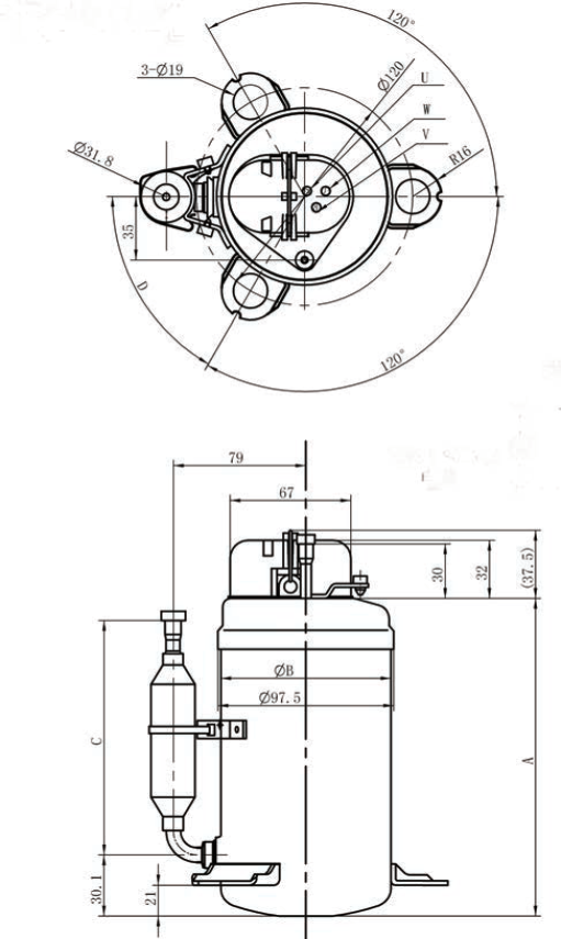
| 压缩机高度(mm不含安装件) | 152.1 | 173.2 | 173.2 | 173.2 | 172.6 | 185 |
| 压缩机外径(mm) | 92 | 92 | 92 | 92 | 92 | 94.4 |
| 储液器外径(mm) | 18.85 | 31.75 | 31.75 | 31.75 | 31.75 | 31.75 |
| 底脚安装尺寸(mm) | R60 | R60 | R60 | R60 | R60 | R75 |
手机:13548113936 电话:028-84355580
邮件:75319553@qq.com