![]() |
BSW系列点击次数:4837
发布时间:2018-08-30 17:42:10 |
|---|
.png)


| 机型 | BSW0145SK | BSW020SK |
| 电源 | 变频器输入 48VDV | 变频器输入 48VDV |
| 使用冷媒 | R134a | R134a |
| 转速范围(rpm) | 2400~6000 | 2400~6000 |
| 额定转速(rpm) | 4500 | 4500 |
| 额定电流(A) | 3.72 | 4.9 |
| 额定功率(W) | 97 | 138 |
| 额定制冷量(W) | 231 | 345 |
| 额定工况测试条件 | 蒸发温度=7.2℃ 冷凝温度=54.4℃ 过冷度=8.3K 吸气温度=35℃ 环境温度=35℃ |
蒸发温度=7.2℃ 冷凝温度=54.4℃ 过冷度=8.3K 吸气温度=35℃ 环境温度=35℃ |
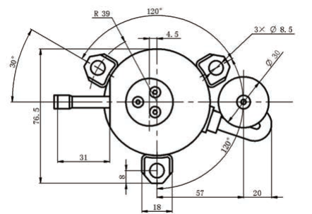
| 压缩机高度(mm不含安装件) | 91 | 91 |
| 压缩机外径(mm) | 60 | 60 |
| 储液器外径(mm) | 30 | 30 |
| 底脚安装尺寸(mm) | R39 | R39 |
手机:13548113936 电话:028-84355580
邮件:75319553@qq.com