![]() |
CDL系列点击次数:5055
发布时间:2018-08-30 17:06:00 |
|---|
.png)


| 机型 | CDL155SV | CDL193SV | CDL211SV | CDL212SV |
| 电源 | 220~240V/1φ/50Hz | 220~240V/1φ/50Hz | 220~240V/1φ/50Hz | 220~240V/1φ/51Hz |
| 使用冷媒 | R407C | R407C | R407C | R407C |
| 额定电流(A) | 3.7 | 4 | 5.2 | 5.2 |
| 额定输入功率(W) | 700 | 870 | 1120 | 1120 |
| 额定制冷量(W) | 2080 | 2600 | 3350 | 3350 |
| 额定工况测试条件 | 蒸发温度=7.2℃ 冷凝温度=54.4℃ 过冷度=8.3K 吸气温度=35℃ 环境温度=35℃ |
蒸发温度=7.2℃ 冷凝温度=54.4℃ 过冷度=8.3K 吸气温度=35℃ 环境温度=35℃ |
蒸发温度=7.2℃ 冷凝温度=54.4℃ 过冷度=8.3K 吸气温度=35℃ 环境温度=35℃ |
蒸发温度=7.2℃ 冷凝温度=54.4℃ 过冷度=8.3K 吸气温度=35℃ 环境温度=36℃ |
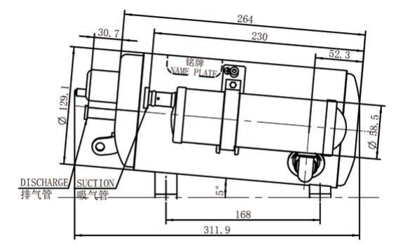
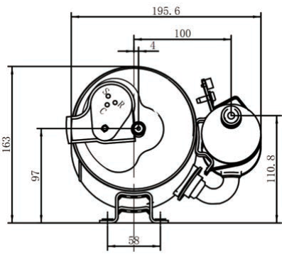
| 压缩机高度(mm含安装件) | 183.9 | 183.9 | 183.9 | 184.9 |
| 压缩机外径(mm) | φ129.1 | φ129.1 | φ129.1 | φ129.2 |
| 储液器外径(mm) | φ58 | φ58 | φ58 | φ59 |
| 底脚安装尺寸(mm长×宽) | 168×58 | 168×58 | 168×58 | 168×59 |
手机:13548113936 电话:028-84355580
邮件:75319553@qq.com