![]() |
ADL系列点击次数:5239
发布时间:2018-08-30 17:06:00 |
|---|
.png)


| 机型 | ADL135SW | ADL135SN | ADL155SN | ADL135SV |
| 电源 | 115~120V/1φ/60Hz | 208~230V/1φ/60Hz | 208~230V/1φ/60Hz | 220~240V/1φ/50Hz |
| 使用冷媒 | R410A | R410A | R410A | R410A |
| 额定电流(A) | 12.7 | 6.6 | 7.8 | 5.3 |
| 额定输入功率(W) | 1400 | 1365 | 1600 | 1130 |
| 额定制冷量(W) | 3900 | 3880 | 4350 | 3180 |
| 额定工况测试条件 | 蒸发温度=7.2℃ 冷凝温度=54.4℃ 过冷度=8.3K 吸气温度=35℃ 环境温度=35℃ |
蒸发温度=7.2℃ 冷凝温度=54.4℃ 过冷度=8.3K 吸气温度=35℃ 环境温度=35℃ |
蒸发温度=7.2℃ 冷凝温度=54.4℃ 过冷度=8.3K 吸气温度=35℃ 环境温度=35℃ |
蒸发温度=7.2℃ 冷凝温度=54.4℃ 过冷度=8.3K 吸气温度=35℃ 环境温度=35℃ |
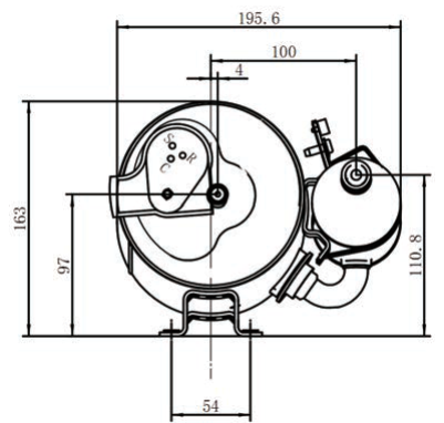
| 压缩机高度(mm含安装件) | 163 | 163 | 163 | 163 |
| 压缩机外径(mm) | 129.1 | 129.1 | 129.1 | 129.1 |
| 储液器外径(mm) | 58 | 58 | 58 | 58 |
| 底脚安装尺寸(mm长×宽) | 168×58 | 168×58 | 168×58 | 168×58 |
手机:13548113936 电话:028-84355580
邮件:75319553@qq.com